Akım Trafosu CT
Sıfır Sıra Ct Akım Trafosu Donut Tipi
  • Sıfır Sıra Ct Akım Trafosu Donut TipiSıfır Sıra Ct Akım Trafosu Donut Tipi
  • Sıfır Sıra Ct Akım Trafosu Donut TipiSıfır Sıra Ct Akım Trafosu Donut Tipi

Sıfır Sıra Ct Akım Trafosu Donut Tipi

Wenzhou XiFa Electric Power Equipment Co., Ltd, sağlam kalitede sıfır dizili ct akım trafosu halka tipi üretmek için kaliteli ve rekabetçi fiyatlı hammaddeleri benimser. Sarma sürecinde Wenzhou XiFa, her sıfır dizili akım trafosu halka tipi için elektriksel iletkenliği ve mekanik gücü sağlamak üzere oksijensiz bakır emaye tel kullanır. Bu arada, çekirdek üretim sürecinde Wenzhou XiFa, çok küçük sıfır dizi akımına karşı hassas tepkide mükemmel performansı sürdürmek için yüksek manyetik geçirgenliğe sahip silikon çelik levha kullanıyor.

Sıfır dizi akım trafosu, sıfır dizi akımlarını izlemek için güç sistemlerinde kullanılan çekirdek cihaz aracılığıyla tek turlu bir akım trafosudur. Öncelikle toprak arızalarını, kaçak akımları tespit etmek ve izolasyon izleme için kullanılan koruyucu röle sistemlerinin kritik bir bileşeni olarak hizmet eder. Sıfır dizi akım trafosu, üç fazlı akımların vektör toplamını ve sonuçta ortaya çıkan sıfır dizi akımını algılayarak koruma işlemlerini tetikleyebilir ve düşük akım topraklama seçicileri, dijital harmonik bastırma cihazları ve röle koruma üniteleri ile arıza uyarıları sağlamak ve gücü kesmek için arayüz oluşturabilir.

Yapısal olarak, sıfır dizi akım trafosu, toroidal bir çekirdek ve bir epoksi reçine veya silikon kauçuk mahfaza içinde kapsüllenmiş sekonder sargıdan oluşur ve nem direnci ve kirlilik parlaması koruması sunar. Kurulum seçenekleri arasında, önceden geçirilmiş kablolar gerektiren katı ve kabloların bağlantısını kesmeden yenileme olanağı sağlayan ayrık damar tasarımları yer alır.

Topraklı ve topraksız sistemler dahil olmak üzere çeşitli nötr nokta konfigürasyonları için gereken hassasiyeti ve doğrusallığı sağlayan 50 Hz güç sistemleriyle uyumludur. Sıfır dizi akım trafoları, güvenilir arıza tespiti ve sistem koruması sağlamak için akıllı şebekelerde, demiryolu taşımacılığında, bina elektrik sistemlerinde ve endüstriyel ekipman izlemede yaygın olarak uygulanır.

Zero Sequence Ct Current Transformer Donut TypeZero Sequence Ct Current Transformer Donut Type

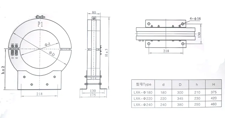
Tip Röle Tipi Bağlantı Yöntemi Ölçek Değeri Birincil Akım Tip Röle Tipi Bağlantı Yöntemi Ölçek Değeri Birincil Akım
LXK-Φ80 LXK-Φ100 LXK-Φ120 LXK-Φ150 DD11/60 Seri 15*1 2.4-4.5 LXK-Φ180 LXK-Φ220 LXK-Φ240 DD11/60 Seri 15*1 2.4-4.5
30*1 30*1
Paralel 15*2 3-5 Paralel 15*2 3-5
30*2 30*2
GG1/60 Seri 15*1 3-5 GG1/60 Seri 15*1 3-5
30*1 30*1
Paralel 15*2 3-6 Paralel 15*2 3-6
30*2 30*2

Zero Sequence Ct Current Transformer Donut Type

Ürün SSS:

S: Halka tipi sıfır dizi akım trafosu nedir?

Halka tipi sıfır dizi CT akım transformatörü, üç fazlı sistemlerde sıfır dizi akımlarını tespit etmek için tasarlanmış bir çekirdek cihazdır. Toroidal çekirdeği, birincil iletkenin merkezden geçmesine izin vererek toprak arızalarının, kaçak akımların ve yalıtım koşullarının müdahaleci olmayan bir şekilde izlenmesini sağlar.

S: Halka tipi sıfır dizi akım trafosu çıkış sinyali nasıldır?

C: Halka tipi sıfır dizi akım trafosu, yüksek hassasiyetli sargı ve Rogowski bobin teknolojisini kullanarak sıfır dizi akımını orantılı bir voltaja veya ikincil akıma dönüştürür. Bu çıkış, hızlı ve doğru arıza tespiti için röleler, sayaçlar ve izleme sistemleriyle uyumludur.

S: Halka tipi sıfır dizi akım trafosunun tipik uygulamaları nelerdir?

A: halka tipi sıfır dizi akım trafosu yaygın olarak aşağıdaki alanlarda kullanılır:

1. Toprak arıza koruması ve kaçak akım tespiti;

2.Güç dağıtım sistemlerinde nötr nokta izleme;

3. Dijital koruma röleleri, harmonik bastırma cihazları ve akıllı şebeke izleme sistemleri ile entegrasyon.

4.Endüstriyel ekipmanlar, bina elektrik ağları ve raylı ulaşım sistemleri.




Sıcak Etiketler: Sıfır Sıra CT Akım Trafosu, Donut Tipi CT, Toprak Arıza Koruma Trafosu
Talep Gönder
İletişim bilgileri

En kısa sürede teklifinizi almak için

XiFa-güvenilir elektrikli ekipman tedarikçiniz
X
Size daha iyi bir gezinme deneyimi sunmak, site trafiğini analiz etmek ve içeriği kişiselleştirmek için çerezleri kullanıyoruz. Bu siteyi kullanarak çerez kullanımımızı kabul etmiş olursunuz. Gizlilik Politikası
Reddetmek Kabul etmek