Akım Trafosu CT
Reçine Döküm Elektrik Ct Akım Trafosu
  • Reçine Döküm Elektrik Ct Akım TrafosuReçine Döküm Elektrik Ct Akım Trafosu
  • Reçine Döküm Elektrik Ct Akım TrafosuReçine Döküm Elektrik Ct Akım Trafosu

Reçine Döküm Elektrik Ct Akım Trafosu

Wenzhou XiFa Electric Power Equipment Co., Ltd, 10 kv ila 35 kv elektrik şalt cihazında benimsenen reçine döküm elektrik CT akım transformatörü üreten profesyonel bir üretimdir. Wenzhou XiFa'da üretim ekibi, akım transformatörünün yan tarafındaki kabarcıkları gidermek ve yüzeydeki kısmi deşarjı önlemek için vakum ortamında epoksi reçine döküyor. Bu arada, reçine döküm elektrik akım trafosu, voltaj direnci ve uzun vadeli stabilite konusunda daha iyi bir performans elde etmek için çok katmanlı yalıtım yapısı olarak tasarlanmıştır.

Reçine döküm elektrik akım trafosu, 50 Hz nominal frekansa sahip 10kv voltaj seviyeli güç sistemleri için tasarlanmış, iç mekan, epoksi reçine, vakum döküm, direk tipi bir ünitedir. Öncelikle akım ölçümü, enerji ölçümü ve koruyucu geçiş için kullanılır.

Reçine dökümlü elektrik akım trafosu, çekirdeğin yüksek dereceli manyetik malzemeden yapıldığı ve hem birincil hem de ikincil bobinlerin çekirdekle birlikte reçineye gömüldüğü, tamamen kapalı bir epoksi reçine döküm işlemini benimser. Bu yapı yalıtım, nem direnci ve kirlilik direnci açısından mükemmel performans sağlar. Reçine dökümlü elektrik akım trafosunun yüzeyi ilave kaplama gerektirmez ve akım trafosu birden fazla konuma monte edilebilir.

Aralık, hem 0,2S ve 0,5S gibi ölçüm sınıflarını hem de 10P10 ve 10P20 gibi koruma sınıflarını kapsar. Metal kaplı elektrik panellerinde kullanıma çok uygun hale getirmek için, reçine döküm elektrik akım trafosu üzerinde çok oranlı bir tasarım mevcuttur.

Resin Cast Electrical Ct Current TransformerResin Cast Electrical Ct Current Transformer

Teknik Özellikler:

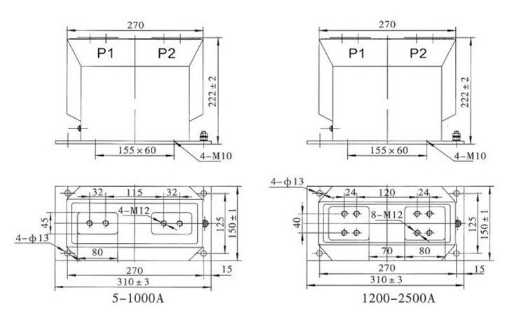
Tip Birincil Nominal Akım (A) Doğruluk Sınıfı Doğruluk Sınıfı ve Nominal Çıkış cosΦ=0,8 Şor Zamanlı Termal Akım (kA/S) Nominal Dinamik Akım (kA)
0,2 (s) 0,5 (s) 10P10 10P15 10P20
LZZBJ9-10 5-150 0,2s/0,5 0,2s/10P 0,2/10P 0,5s/10P 0,5/10P 10 10 15 15 10 100I1n 250I1n
200-300 31.5 80
400-500 45 112
600-1000 63 130
1200-1500 80 160
2000-2500 100 180

Resin Cast Electrical Ct Current Transformer

Ürün SSS:

S: Reçine dökümlü elektrik akım trafosu seçerken hangi teknik parametreler kontrol edilmelidir?

C: Seçim yaparken aşağıdaki temel parametreler kontrol edilmelidir:

1.Doğruluk sınıfı: Ölçme/ölçüm (örn. 0,2s veya 0,5) ve koruma amaçlı (örn. 10P10, 5P10, vb.).

2.Nominal primer akım ve sekonder akım (dönüşüm oranı).

3.Kısa süreli termik akım (Ith) ve kısa süreli akıma dayanma kapasitesi (arıza durumları için).

4.İzolasyon seviyeleri (gerilim dayanımı, darbe gerilimi değeri vb.).

5.Çevresel toleranslar: Sıcaklık aralığı, rakım, nem, kirlilik seviyesi.

6.Yük: VA yükü ikincilin doğruluğu bozmadan sürmesi gerekir.

S: Reçine dökümlü elektrik akım trafoları hangi ortamlar veya uygulamalar için özellikle uygundur?

C: Aşağıdaki ortam veya uygulama, reçine dökümlü elektrik akım trafosu için uygundur:

1. Alanın sınırlı olduğu ve yalıtımın çok önemli olduğu iç mekan şalt sistemi.

2. Açık parçaların veya yağın bozulabileceği zorlu veya kirli ortamlarda (toz, nem, kimyasallar).

3. Uzun süre boyunca kararlı, doğru ölçüm gerektiren ölçüm ve koruma devrelerinde.

4.Düşük bakım ve yüksek güvenilirliğin önemli olduğu uygulamalar.

Sıcak Etiketler: Reçine Döküm Akım Trafosu Tedarikçisi, Elektrik CT Trafo Üreticisi, Özel CT Trafo Toptan Satış
Talep Gönder
İletişim bilgileri

En kısa sürede teklifinizi almak için

XiFa-güvenilir elektrikli ekipman tedarikçiniz
X
Size daha iyi bir gezinme deneyimi sunmak, site trafiğini analiz etmek ve içeriği kişiselleştirmek için çerezleri kullanıyoruz. Bu siteyi kullanarak çerez kullanımımızı kabul etmiş olursunuz. Gizlilik Politikası
Reddetmek Kabul etmek