Akım Trafosu CT
Yara Tipi 5p10 5p20 Ct 100 150 400 5a
  • Yara Tipi 5p10 5p20 Ct 100 150 400 5aYara Tipi 5p10 5p20 Ct 100 150 400 5a

Yara Tipi 5p10 5p20 Ct 100 150 400 5a

Wenzhou XiFa Electric Power Equipment Co., Ltd, yüksek kaliteli potansiyel transformatörler ve akım transformatörleri tedarik etmek için, yara tipi 5p10 5p20 ct 100 150 400 5a üretimi ve tedariki gibi müşterilere özelleştirilmiş hizmeti destekler. WenZhou XiFa Electric'te üretim ekibi, hızlı teslimatı sağlamak için 100/5a 10p10 0,5 akım transformatörü gibi normal tip akım transformatörünün envanterini tutuyor. Ancak şirket, koruma sınıfı 5p10 veya 5p20 olan besleme akım trafosu gibi çeşitli elektrik taleplerini karşılamak için özelleştirilmiş hizmeti desteklemektedir.

Yara tipi akım trafosu 10kv 20kv ve 35kv gibi orta gerilim güç sistemlerinde güvenilir akım ölçümü ve koruması için tasarlanmıştır. 100/5A, 150/5A ve 400/5A akım oranlarında ve 5P10 ve 5P20 koruma doğruluk sınıflarıyla mevcut olan bu sargı tipi 5p10 5p20 ct 100 150 400 5a, hem ölçüm, ölçüm hem de koruyucu röle uygulamalarına uygun hassas sekonder akım çıkışı sağlar.

Katı manyetik çekirdekler ve ikincil bobinlerle üretilen yara tipi akım transformatörü, kısa devre koşullarında istikrarlı performans sağlar ve geçici olaylar sırasında bile doğru akım dönüşümü sağlar. Çoğunlukla epoksi veya yüksek dereceli reçine içeren sağlam yalıtım sistemi, güvenlik, uzun hizmet ömrü ve neme ve çevresel strese karşı dayanıklılık sağlar.

Yara tipi tasarım, röle koruma düzenleri için güvenilir destek sağlamak amacıyla şalt teçhizatında, kontrol panellerinde ve dağıtım panolarında esnek kuruluma olanak tanır. Yara tipi akım trafosu, hem operasyonel izleme hem de koruyucu kontrol için doğru ve güvenilir akım ölçümünün gerekli olduğu endüstriyel tesisler, ticari tesisler ve kamu dağıtım ağları için idealdir.

Wound Type 5p10 5p20 Ct 100 150 400 5a

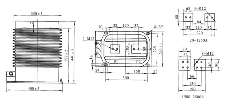
Teknik Özellikler:

Tip Birincil Nominal Akım (A) Doğruluk Sınıfı Doğruluk Sınıfı ve Nominal Çıkış cosΦ=0,8 Şor Zamanlı Termal Akım (kA/S) Nominal Dinamik Akım (kA)
0,2 (s) 0,5 (s) 10P10
LZZBJ9-35 20-100 0,2/0,2 0,2/0,5 0,2/5P20 0,5/5P20 0,2/0,5/5P 0,2/5P/5P 10 10 15 150I1n 375I1n
150-200 31.5 80
300-500 31,5/2 80
600-1250 15 30 20 31,5/4 80
1500-2000 20 40 30 40/4 125
2500 20 40 20 40/4 125


Tip Birincil Nominal Akım (A) Doğruluk Sınıfı Kapasite (VA) Şor Zamanlı Termal Akım (kA/S) Nominal Dinamik Akım (kA)
LZZBJ9-35 10 0,2/10P10 0,5/10P10 0,2/5P20 0,5/5P20 0,2/0,5/10P10 0,2/0,5/5P20 0,2/10P10/5P20 0,5/10P10/5P20 15/20 20/20 15/20 20/20 15/20/20 15/20/20 15/20/20 20/20/20 1,5/1 3.75
20 2/1 5
30 3/1 7.5
40 4/1 10
50 5/1 12.5
75 7,5/1 18.75
100 10/1 25
150 15/1 37.5
200 20/1 50
300 31,5/1 80
400 31,5/2 80
500 31,5/2 80
600 31,5/2 80
800 31,5/3 80
1000 31,5/3 80
1200 31,5/3 80
1500 31,5/3 80
2000 31,5/3 80

Wound Type 5p10 5p20 Ct 100 150 400 5a

Ürün SSS:

S: 5p10 5p20 ct 100 150 400 5a yara tipinde "yara tipi 5P10" veya "5P20" ne anlama gelir?

C: "Yara tipi" terimi, birincil iletkenin çekirdek boyunca bir bara veya çubuktan ziyade bir yara sargısı olduğu CT'leri ifade eder. 5P10 veya 5P20 sınıfı koruma doğruluğunu gösterir: 5P, nominal sekonder akımda %5'e kadar hata anlamına gelir ve 10 veya 20 sayısı, belirtilen hatayı aşmadan nominal primer akımın izin verilen maksimum kısa süreli katıdır.

S: Sistemim için doğru CT derecesini nasıl seçerim?

C: Sisteminizin maksimum yük akımına ve koruma gereksinimlerine göre bir CT seçin. Örneğin, 100/5A CT, 100 A civarında tipik akımlara sahip devreler için uygundur; 400/5A ise daha yüksek akım besleyicileri için tasarlanmıştır. Rölenin arıza tespit hassasiyetine ve beklenen kısa devre akımına göre bir koruma sınıfı (5P10 veya 5P20) seçin.

S: 5p10 5p20 ct 100 150 400 5a tipi yara hangi çevre koşullarına dayanabilir?

C: Bu yara tipi akım transformatörleri tipik olarak –10 °C ila +40 °C arasındaki ortam sıcaklıkları için ve maksimum 1000 m rakım için derecelendirilmiştir. Muhafaza malzemeleri ve yalıtım sistemleri, endüstriyel ve hizmet ortamlarında güvenilir koruma performansı sağlamak amacıyla neme, toza ve kirliliğe dayanıklı çalışma için tasarlanmıştır.




Sıcak Etiketler: Yara Tipi 5p10 5p20 Ct 100 150 400 5a, Akım Trafosu Tedarikçisi, Ölçüm Transformatörleri Toptan Satış
Talep Gönder
İletişim bilgileri

En kısa sürede teklifinizi almak için

XiFa-güvenilir elektrikli ekipman tedarikçiniz
X
Size daha iyi bir gezinme deneyimi sunmak, site trafiğini analiz etmek ve içeriği kişiselleştirmek için çerezleri kullanıyoruz. Bu siteyi kullanarak çerez kullanımımızı kabul etmiş olursunuz. Gizlilik Politikası
Reddetmek Kabul etmek