Potansiyel Trafo PT
Trafo Merkezinde 13.8 Kv Tek Fazlı Potansiyel Trafo
  • Trafo Merkezinde 13.8 Kv Tek Fazlı Potansiyel TrafoTrafo Merkezinde 13.8 Kv Tek Fazlı Potansiyel Trafo

Trafo Merkezinde 13.8 Kv Tek Fazlı Potansiyel Trafo

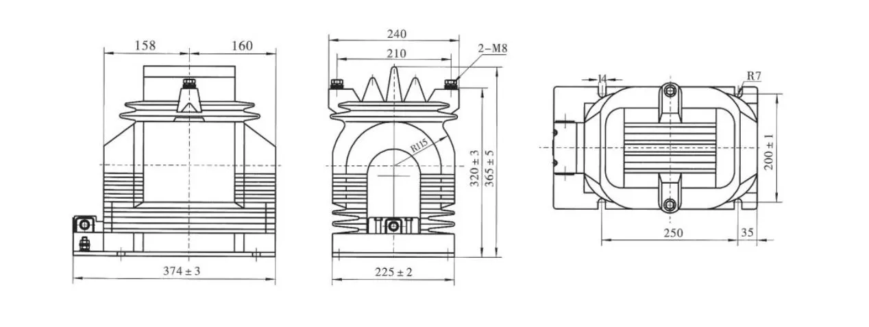
Trafo merkezinde güvenilir bir 13,8 kv tek fazlı potansiyel transformatör üretmek için Wenzhou XiFa Electric Power Equipment Co., Ltd, kayıp değerini azaltmak ve doğruluk sınıfını iyileştirmek için çekirdeğin ana malzemesi olarak birinci sınıf CRGO elektrik çeliğini ve hassas sarım yoluyla dönüş oranını ve dönüşten dönüş izolasyonunu sağlamak için bobinin ana malzemesi olarak yüksek mukavemetli emaye bakır teli benimser. Dahası, trafo merkezindeki her 13,8 kv tek fazlı potansiyel transformatör, sıcak, nemli ve tozlu ortamlara uygun, nemi emmesi kolay olmayan, genel olarak katılaşmış bir yapı oluşturmak için epoksi reçine vakumlu döküm üretim sürecini benimser.

Ürün Özellikleri:

Trafo Merkezindeki 13,8 Kv Tek Fazlı Potansiyel Transformatör, 13,8 kv'luk birincil voltajı 100 veya 110 volt gibi standart bir ikincil voltaja düşürmek için tasarlanmıştır. İndirgenmiş voltaj daha sonra ölçüm aletlerini ve koruyucu röleleri ölçmek için paralel sargılara beslenir ve birincil voltaj ölçümlerinin düşük voltajlı cihazlarla dolaylı olarak yapılmasına olanak tanır. Böyle bir yaklaşım, cihaz tasarımını basitleştirir, maliyetten tasarruf sağlar ve hem ekipmanın hem de işletme personelinin güvenliğini sağlar.


13,8 kv tek fazlı potansiyel transformatörün çalışma prensibi, dönüşüm oranı birincil ve ikincil bobinlerdeki sarım sayısına göre belirlenen güç dağıtım transformatörü ile aynıdır. İkincil dönüş sayısının arttırılması oranı azaltırken, birincil dönüş sayısının arttırılması oranı yükseltir. 13,8 kv tek fazlı potansiyel transformatörün sekonder devresinin hiçbir durumda çalışma sırasında kısa devre yapılmaması gerektiğine dikkat etmek önemlidir.

13 8 Kv Single Phase Potential Transformer In Substation

Teknik Özellikler:

Tip Nominal Gerilim Oranı (kV) Doğruluk Sınıfı Doğruluk Sınıfı ve Nominal çıkış cosΦ=0,8 Maks. Çıkış (VA)
0.2 0.5 1 6(P)
JDZ11-15 (15/√3)/(0,1/√3)/(0,1/3) 0,2/6P 0,5/6P 1/6P 30 80 150 100 400
JDZ11-20 (20/√3)/(0,1/√3)/(0,1/3)
JDZ11-15 (15/√3)/(0,1/√3)/(0,1/√3)/(0,1/3) 0,2/0,2/6P 0,2/0,5/6P 15 20 Yok 100 2*200
JDZX11-20 (20/√3)/(0,1/√3)/(0,1/√3)/(0,1/3)

13 8 Kv Single Phase Potential Transformer In Substation

Ürün SSS:

S: 13,8 kv tek fazlı potansiyel transformatörün 13,8 kv güç transformatöründen farkı nedir?

C: Her ikisi de gerilim dönüştürücü cihazlar olmakla birlikte, 13,8 kv tek fazlı potansiyel transformatörü güç aktarımından ziyade ölçüm ve koruma amaçlı tasarlanmıştır. Nominal yükü nispeten küçüktür ve genellikle VA cinsinden ifade edilir, oysa güç transformatörleri, kVA veya MVA olarak sayılan daha büyük bir değerdeki yükleri işler.


S: 13,8 kv tek fazlı potansiyel transformatörde hangi yalıtım yöntemleri kullanılıyor?

C: Çoğupotansiyel transformatörlerbu voltaj seviyesinde, iç mekan uygulamaları için epoksi reçine döküm izolasyonu veya dış mekan kurulumları için porselen/silikon muhafazalar kullanın. Bazı tasarımlarda, daha uzun hizmet ömrü ve daha yüksek termal kapasite elde etmek için yağa batırılmış yalıtım kullanılır.


S: Bir trafo merkezine 13,8 kV tek fazlı potansiyel transformatör nasıl bağlanmalıdır?

C: Fazdan toprağa ölçüm için, PT primeri bir faz ile toprak arasına bağlanır. Üç fazlı bir sistemde, hattan hatta ve hattan toprağa gerilimleri ölçmek için bir dizi tek fazlı PT veya üç fazlı bir PT ünitesi kullanılabilir.


S: Trafo merkezlerindeki 13,8 kV tek fazlı potansiyel transformatörlerde hangi sorunlar ortaya çıkabilir?

C: Yaygın sorunlar arasında yalıtımın bozulması, belirli anahtarlama koşulları altında ferrorezonans, aşırı yükleme nedeniyle aşırı ısınma ve tehlikeli derecede yüksek voltajlara neden olabilecek ikincil devre açık koşulları yer alır.



Sıcak Etiketler: Trafo Merkezi Tedarikçisinde 13.8 Kv Tek Fazlı Potansiyel Trafo, Trafo Merkezi Potansiyel Trafo Toptan Satış
Talep Gönder
İletişim bilgileri

En kısa sürede teklifinizi almak için

XiFa-güvenilir elektrikli ekipman tedarikçiniz
X
Size daha iyi bir gezinme deneyimi sunmak, site trafiğini analiz etmek ve içeriği kişiselleştirmek için çerezleri kullanıyoruz. Bu siteyi kullanarak çerez kullanımımızı kabul etmiş olursunuz. Gizlilik Politikası
Reddetmek Kabul etmek